Hallo zusammen
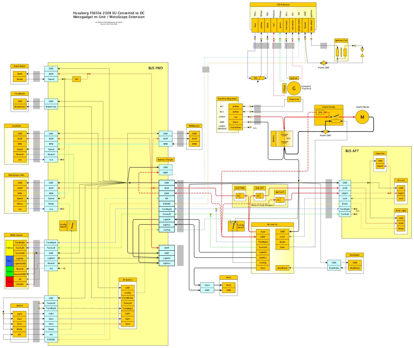
Ich bin dabei, meine Berg mit neuer Elektrik/Elektronik zu ergänzen (insbesonders LED Scheinwerfer und RFID Zündschloss).
Nach tagelangem Studium verschiedenster Quellen bin ich nun an einen Punkt der kompletten Ratlosigkeit angelangt
Also: Ab Werk scheint die Berg (2008, also nicht SEM, sondern Kokusan/Shindeng) mit zwei AC Kreisen elektrisch versorgt zu werden.
Vom Stator gehen zwei Leitungen zur Zündbox, und zwei zum Regulator/Gleichrichter, der die Batterie-Ladung übernimmt. Eine dieser beiden Leitungen wird nun auch zur Speisung einiger anderer Verbraucher genutzt: insbesonders dem Licht.
Wo ist jetzt meine Verwirrung? Um eine optimale Leistungsausbeute der Lichtmaschine zu erreichen, wird in diversen Foren und Firmenwebseiten erzählt, dass man das Bike von AC auf DC umrüsten soll, und zwar mit "Floating Ground" und einem neuen resp. modifiziertem Stator. Soweit so gut. Habe ich verstanden.
Mein Problem ist jetzt, das der Starter-Motor (DC 12V) zwangsläufig über das Starterrelais mit dem Pluspol der Batterie verbunden wird und die Erde über den Rahmen/Motor bewerkstelligt wird. Dh es ist eigentlich unmöglich, die Batterie mit fliegender Erde zu betreiben.
Mein Ziel ist es, alle Verbraucher von der Batterie zu speisen (welche natürlich vom Stator via Regulator gelanden werden soll).
Vielleicht bin ich jetzt etwas kompliziert, aber ich schnall es einfach nicht mehr.
Meine These: Floating Ground mit E-Starter geht gar nicht (da bin ich mir sicher).
Der Regulator/Rectifier ist nicht das, was er sich nennt. In Wirklichkeit ist es mehr ein Limiter/Kompressor, der die positiven Halbwellen des Stators schneidet und die negativen kurzschliesst.
Da meine Berg nicht läuft kann ich es leider nicht nachmessen.
Das kurioseste ist aber die KILL-Leitung der Zündbox, die durch verbinden mit der Masse den Motor stoppt. Dass kann ja nur funktionieren, wenn die Statorleitungen für die Zündbox auf Masse referenzieren. Wie soll dass den nun mit einem floating ground funktionieren?
Gibts hier jemanden, mit dem ich mich austauschen kann? Wäre klasse.
Ich bin Elektroingenieur, also keine Angst. Ich werde nicht beginnen über Kabelfarben zu labern
Cheers
Ich bin dabei, meine Berg mit neuer Elektrik/Elektronik zu ergänzen (insbesonders LED Scheinwerfer und RFID Zündschloss).
Nach tagelangem Studium verschiedenster Quellen bin ich nun an einen Punkt der kompletten Ratlosigkeit angelangt

Also: Ab Werk scheint die Berg (2008, also nicht SEM, sondern Kokusan/Shindeng) mit zwei AC Kreisen elektrisch versorgt zu werden.
Vom Stator gehen zwei Leitungen zur Zündbox, und zwei zum Regulator/Gleichrichter, der die Batterie-Ladung übernimmt. Eine dieser beiden Leitungen wird nun auch zur Speisung einiger anderer Verbraucher genutzt: insbesonders dem Licht.
Wo ist jetzt meine Verwirrung? Um eine optimale Leistungsausbeute der Lichtmaschine zu erreichen, wird in diversen Foren und Firmenwebseiten erzählt, dass man das Bike von AC auf DC umrüsten soll, und zwar mit "Floating Ground" und einem neuen resp. modifiziertem Stator. Soweit so gut. Habe ich verstanden.
Mein Problem ist jetzt, das der Starter-Motor (DC 12V) zwangsläufig über das Starterrelais mit dem Pluspol der Batterie verbunden wird und die Erde über den Rahmen/Motor bewerkstelligt wird. Dh es ist eigentlich unmöglich, die Batterie mit fliegender Erde zu betreiben.
Mein Ziel ist es, alle Verbraucher von der Batterie zu speisen (welche natürlich vom Stator via Regulator gelanden werden soll).
Vielleicht bin ich jetzt etwas kompliziert, aber ich schnall es einfach nicht mehr.
Meine These: Floating Ground mit E-Starter geht gar nicht (da bin ich mir sicher).
Der Regulator/Rectifier ist nicht das, was er sich nennt. In Wirklichkeit ist es mehr ein Limiter/Kompressor, der die positiven Halbwellen des Stators schneidet und die negativen kurzschliesst.
Da meine Berg nicht läuft kann ich es leider nicht nachmessen.
Das kurioseste ist aber die KILL-Leitung der Zündbox, die durch verbinden mit der Masse den Motor stoppt. Dass kann ja nur funktionieren, wenn die Statorleitungen für die Zündbox auf Masse referenzieren. Wie soll dass den nun mit einem floating ground funktionieren?
Gibts hier jemanden, mit dem ich mich austauschen kann? Wäre klasse.
Ich bin Elektroingenieur, also keine Angst. Ich werde nicht beginnen über Kabelfarben zu labern

Cheers