Husaberg Elektrik: DC Conversion FS650e 2008

Diese Seite verwendet Cookies. Durch die Nutzung unserer Seite erklären Sie sich damit einverstanden, dass wir Cookies setzen. Weitere Informationen

  • Husaberg Elektrik: DC Conversion FS650e 2008

    Hallo zusammen

    Ich bin dabei, meine Berg mit neuer Elektrik/Elektronik zu ergänzen (insbesonders LED Scheinwerfer und RFID Zündschloss).
    Nach tagelangem Studium verschiedenster Quellen bin ich nun an einen Punkt der kompletten Ratlosigkeit angelangt :(

    Also: Ab Werk scheint die Berg (2008, also nicht SEM, sondern Kokusan/Shindeng) mit zwei AC Kreisen elektrisch versorgt zu werden.

    Vom Stator gehen zwei Leitungen zur Zündbox, und zwei zum Regulator/Gleichrichter, der die Batterie-Ladung übernimmt. Eine dieser beiden Leitungen wird nun auch zur Speisung einiger anderer Verbraucher genutzt: insbesonders dem Licht.

    Wo ist jetzt meine Verwirrung? Um eine optimale Leistungsausbeute der Lichtmaschine zu erreichen, wird in diversen Foren und Firmenwebseiten erzählt, dass man das Bike von AC auf DC umrüsten soll, und zwar mit "Floating Ground" und einem neuen resp. modifiziertem Stator. Soweit so gut. Habe ich verstanden.
    Mein Problem ist jetzt, das der Starter-Motor (DC 12V) zwangsläufig über das Starterrelais mit dem Pluspol der Batterie verbunden wird und die Erde über den Rahmen/Motor bewerkstelligt wird. Dh es ist eigentlich unmöglich, die Batterie mit fliegender Erde zu betreiben.

    Mein Ziel ist es, alle Verbraucher von der Batterie zu speisen (welche natürlich vom Stator via Regulator gelanden werden soll).

    Vielleicht bin ich jetzt etwas kompliziert, aber ich schnall es einfach nicht mehr.
    Meine These: Floating Ground mit E-Starter geht gar nicht (da bin ich mir sicher).
    Der Regulator/Rectifier ist nicht das, was er sich nennt. In Wirklichkeit ist es mehr ein Limiter/Kompressor, der die positiven Halbwellen des Stators schneidet und die negativen kurzschliesst.
    Da meine Berg nicht läuft kann ich es leider nicht nachmessen.

    Das kurioseste ist aber die KILL-Leitung der Zündbox, die durch verbinden mit der Masse den Motor stoppt. Dass kann ja nur funktionieren, wenn die Statorleitungen für die Zündbox auf Masse referenzieren. Wie soll dass den nun mit einem floating ground funktionieren?

    Gibts hier jemanden, mit dem ich mich austauschen kann? Wäre klasse.

    Ich bin Elektroingenieur, also keine Angst. Ich werde nicht beginnen über Kabelfarben zu labern :)

    Cheers
  • Hi Urs,
    cooles Projekt. Muss mich da erstmal reindenken...
    Hab mal kurz ein paar threads zu dem Thema aufgesucht. Anscheinend brauchst Du einen Full-Wave-Rectifier - einen der beide Halbwellen "richtet". Wie Du schon herausgefunden, macht der Originale das nicht. Wahrscheinlich ist dann der was für Dich: trailtech.net/7004-rr150
    Sowas gibt's bestimmt günstiger, da kennst Du Dich sicher besser aus als ich.
    Für die Floating-Ground-Schaltung haben einige geschrieben, dass sie die Spulen für Batterieladung und Beleuchtung in Reihe betreiben (waren KTM-Modelle, sollten sich aber ähnlich zum HBG-Stator verhalten). Soll heißen die gelbe und weiße Leitung vom RR laufen als ein Kabel durch die Spulen im Stator. Statormasse-Klemme nicht angeschlossen. Die anderen beiden Enden vom RR (braun, gelb-rot) gehen auf die Batterie.

    Eine weitere Info hab ich hier gefunden: letzter Post von "mikst" husaberg.org/electrical/1339-dc-wiring.html
    "... I think he needed to isolate the regulator and after that it worked very well. When you go from half/full wave system or AC/DC system there could be problem with the ground points..." Angeblich war die Isolierung des RR die Lösung nach einem Umbau mit Trail Tech Stator, und alles auf DC.

    Links: thumpertalk.com/forums/topic/5…und-without-replacing-rr/


    Kill-Schalter: Ladespulen für die Zündspulen sind ein getrennter Kreis. Die bleiben auch auf AC. Der Masseschluss durch den Killschalter sollte ohne Probleme funktionieren.

    Bin kein Elektro-Ingenieur, aber so in etwa hab ich es verstanden. Vielleicht bringt es Dich weiter.

    Gruß,
    EDE
    Bilder
    • Trailtech 7004-RR150.jpeg

      7,22 kB, 222×227, 298 mal angesehen
    Dateien
  • Hi Ede

    Vielen Dank für Deine Gedanken!
    Hab mir die Trailtech-"Lösung" und die KTM Conversion im Vorfeld schon reingezogen. Ist aber bei allen Vorgehensweisen nicht wirklich klar was da passiert.
    Clevererweise schreibt Trailtech auf ihrer Homepage auch, dass ihr Regulator mit OEM Stator NICHT funktioniert :)

    Ich werde am Wochenende mal in aller Ruhe das HBG Originalsetup statisch durchmessen.
    Wahrscheinlich wird die eleganteste Lösung sein, einen isolierten AC/DC Converter einzusetzten. Allerdings habe ich nichts mit 3 Phasen im Kleinspannungsbereich gefunden.
  • So, jetzt hab ich mich nochmals quer durchs ganze Web durchgelesen und glaube, die Sache verstanden zu haben.

    Und es verhält sich genau so wie Ede geschrieben hat.

    Eigentlich ist die Sache ganz simpel. Nur ist der in der Berg verbaute Stator denkbar ungeeignet für einen DC Betrieb des Bikes.
    Das Teil hat drei Ankerwicklungen:

    (1). Speisung der CDI
    (2). Ladespannung der Batterie via Halbwellen-RR (30W)
    (3). AC Speisung der Beleuchtung (100W, glaub ich aber nicht)

    Alle drei Wicklungen sind "Common Ground" verdrahtet.

    Die preiswerteste Lösung wäre die Wicklungen (2) und (3) am Stator anders zu verdrahten (gibt zwei Anleitungen im Netz).
    Ist elektrisch aber nicht gerade wunderschön (schlechter Wirkungsgrad und unterschiedliche Spulenbelastung) und ein ziemliches Gebastel.

    Dann gäbe es die Möglichkeit, den Stator neu wickeln zu lassen.

    Die mit Abstand eleganteste (aber auch teuerste) Lösung ist der Einsatz eines neuen Stators mit nur zwei Wicklungen, wobei (1) immer noch "Common Ground" sein muss und (2) "Floating".
    Und dahinter einen "normalen" RR mit mind. 100W Leistung.

    Ein Versuch ist's wert. Die Teile sind bestellt und sobald ich weiter bin, werde ich Euch informieren.
  • Hi urs,
    vielen Dank für Dein schnelles Feedback. Ich bin auf jeden Fall gespannt auf Deine Lösung. Ich hatte vor längerer Zeit auch darüber nachgedacht, aber den Plan dann verworfen, weil ich die DC-Verdrahtung für mich nicht als höchste Priorität gesetzt habe...
    Bitte halte uns hier auf dem Laufenden, ich bin sehr interessiert an Deiner Lösung. Unser Forum lebt von solchen Lösungen.

    Warum ist Deiner Meinung nach die gemeinsame Verdrahtung von (2) und (3) [Batterieladung und Beleuchtung] "elektrisch" nicht so gut. Wie gesagt, bin kein E-Techniker, lerne aber gerne dazu! Wie kommst Du auf "schlechter Wirkungsgrad" und "unterschiedliche Spulenbelastung"?

    Ich habe die Spulen nicht inspiziert, aber laut anderen Foren und Deiner Aussage mit 30W vs. 100W scheint's da sicherlich Unterschiede in der Wicklung zu geben. Wieviel Watt macht denn die CDI-Speisung?

    Mann kann die Neu-Wicklung sicherlich "günstig" machen lassen, es gibt ja einige Leute die sowas im Nebenerwerb anbieten. Vielleicht kann man es auch selber schaffen, wenn man viel Geduld und Zeit hat.

    Ich denke mit einem "neuen Stator" fährst Du ganz gut, aber die Variante "Selbst-Neu-Gewickelt" hat wohl noch den größten Fun-(und den größten DIY)-Faktor ;)

    Frohes Schaffen,
    Gruß,
    EDE
  • Hi Ede
    Geld spielt jetzt bei diesem Projekt nicht so eine Rolle (und vieles kriegt man ja mittlerweile aus China an Material). Die Berg stand jahrelang einfach herum, und nach diversen anderen Projekten habe ich mich entschlossen, jetzt auch die Berg komplett-zu-pimpen. Ist Sinn-befreit aber macht mir Spass. Die Mechanik ist fast fertig, die Elektrik komplett weggestrippt.
    Dh. ich kann nicht im Betrieb messen. Ausserdem ist es das erste Bike mit so'ner Kokusan 4K3 Lösung. Alle anderen Objekte meiner Pimp-Wut haben "normale" 3-Phasen-Lichtmaschinen und vernünftige RRs, da musste ich nix ändern. Bei diesen Bergs (auch Beta, KTM, Husquarna, you name it...) ist das jetzt halt neues Terain für mich.

    Mein "Wissen" habe ich bis jetzt wirklich nur aus endlosem Lesen von Threads, Schaltplänen und wilden Mutmassungen zusammengeklaubt. Es muss also nicht stimmen und ich freue mich drauf, alles am lebenden Objekt zu verifizieren :)

    Zu "neu Wickeln": Wechselstrom-Technik war für mich immer ein rotes Tuch, ich könnte also nicht sauber die Anzahl Wichklungen, den Drahtquerschnitt und die Wickelrichtung rechnen. Und rumpröbeln ist nicht so mein Ding (und ich will auch nicht meine CDI schrotten).

    Zu "AC to DC Conversion": Nebst Deiner Anleitung gibts noch ne schöne von Baja. Wenn man das nicht machen möchte, tun auch die Leute in USA/CA für USD 30.- die Konvertierung durchführen. Also höhere Portokosten als Arbeit :)
    Vorteile: superpreisgünstig. Nachteil: OEM Stator ist wech.
    Wenn man da was falsch macht, gibts grosse Hitzeentwicklung im Stator (scheinbar hat's bei mindestens einem im Netz mehrfach die Lötstellen verschmolzen :) ). Wenn die induzierte Spannungen der beiden miteinander verbundenen Wicklungen (2) und (3) unterschiedlich ist (Windungen, Anzahl Anker, etc.) gibts Probleme mit dem Wirkungsgrad und damit Hitze.
    In Serie schalten bringt zu hohe Spannung. Parallel schalten: dann treibt (3) die (2), was idiotisch ist (man bremst damit quasi den Motor :) ). Bis jetzt alles Vermutungen.
    Nebenbei: es gibt welche, die lassen zur Kühlung dann das Ganze in einem Ölsumpf laufen. Und wenn dann dein Stator nicht absolut sauber gelötet/gekrimpt/isoliert ist, zieht es Dir das Öl zwischen Litze und Isolation der vier Zuleitungen raus. Kein Scherz, hab ich schon gehabt.

    Darum mein Entscheid, es zuerst einmal mit der Kombi TrailTech Stator & RR zu versuchen und zu messen.
  • Also Ede
    Hatte am WE leider nicht so viel Zeit wie ich eigentlich einsetzten wollte, bin aber doch wieder etwas schlauer geworden.
    Laaaangsam verstehe ich die Kokusan-Lösung. Und warum die CDI so funktioniert wie sie eben funktioniert. Und warum die SEM-Lösung so total anders ist.

    Meine Schlussfolgerungen soweit:
    - Dieser Thread ist ausschliesslich für Bikes mit Kokusan-Stator (4K3) mit Shindeng-RR.
    - Ich bin scheissfroh, das in meiner Berg nicht SEM verbaut ist.
    - 50% der Posts im Web über elektrische Modifikationen am Stator und/oder RR sind ungenau und manchmal schwachsinnig.
    - Die Lösung einiger im Web, zwei Leitungen des Stators (von deren 4) zusammenzuschliessen, ist aus meiner Sicht nicht empfehlenswert.
    - Falls das Bike nicht zwingend auf DC umgestellt werden muss, ist die OEM Lösung wirklich rafiniert und klasse.
    - Auch wenn das Bike auf DC umgestellt wird, wird der Motor weiterhin laufen, auch ohne Batterie oder Kurzschluss im DC Kreis.
    - LED-Lichtschwert-Scheinwerfer sind nicht zwingend ein Grund, auf DC umstellen zu müssen. Das ist Scheinwerfer-Hersteller abhängig: Darum würde ich TrailTech und Baja nicht empfehlen (ist aber im deutschsprachigen Europa eh nicht so empfehlenswert wegen TÜV).
    - Die Modifikation des Stators resp. der Einsatz eines neuen Stators wie TrailTech ist nicht wirklich optimal.

    Um diesen Behauptungen auch Beweise folgen zu lassen, müsste ich eine Test-Bench aufsetzen. Dazu bräuchte ich aber ein Husaberg OEM Flywheel, das ich leider nicht habe (im Krad ist natürlich eins, das will ich aber nicht ständig ein- und ausbauen).

    Was ich noch nicht verstehe, ist das niemand bis jetzt den Stator für einen 3-Phasenbetrieb umgewickelt hat. Müsste gehen und dann würde alles gaaaaanz anders aussehen.
  • Muss mich hier ganz kurz mal einklinken.

    Ich bin weder Elektriker noch Elektroniker.
    Ich verstehe also von diesen Begriffen mit denen ihr beiden da rumwerft genausoviel wie einer im Dschungel lebender eine Microwelle versteht.
    Ich bin nur logiker :) (gibt's das auch) ?( :D
    Ich lies das quasi hier mit, verstehe aber trotzdem nicht was und von was ihr da redet.

    Aber trotzdem habe ich eine Frage an Urs oder eben jeden anderen ders erklären kann.

    Zitat von Urs:
    ___________
    Was ich noch nicht verstehe, ist das niemand bis jetzt den Stator für einen 3-Phasenbetrieb umgewickelt hat. Müsste gehen und dann würde alles gaaaaanz anders aussehen.
    ____________
    Zitat Ende:
    Frage 1:
    Was würde bei einem umwickelten 3-phasenbetrieb (keine Ahnung was da gemeint ist) sooooo sehr anders aussehen?

    Zitat von Urs:
    ____________

    - Die Lösung einiger im Web, zwei Leitungen des Stators (von deren 4) zusammenzuschliessen, ist aus meiner Sicht nicht empfehlenswert.
    _________
    Zitat Ende:

    Frage 2:
    Welche Brücke, bzw. welche Kabelverbindung ist hier gemeint, und weshalb ist dies aus deiner Sicht nicht empfehlenswert?


    Soll, jetzt mal ran an die Tasten.
  • Hi Big Beast

    Ist mir eine Ehre, dir wie Ede antworten zu dürfen!

    1.) Wenn man von einer auf drei Phasen wechseln würde, würde man wesentlich mehr Energie aus dem Stator ziehen können. Das liegt daran, wie die RR's funktionieren.
    Mit zunehmender Drehzahl wird pro Phase die Spannung erhöht, die dann im RR "weggebrannt" werden muss. Ist nicht ganz einfach zu erklären, aber mit mehr Phasen bleibt die Spannung kleiner (immer noch massiv über 12V) aber der Strom vergrössert sich. Also mehr Leistung.

    2.) Im Netz sind wirklich alle möglichen Permutationen von Kabelfarben-verbinden zu finden. In der Hoffnung, irgendwas ohne irgendeine Ahnung zu haben zu verbessern.
    Mit meinem letzten Post wollte ich nicht irgendjemandem davon abhalten, was an seinem Bike zu machen. Ich will nur meine Gedanken aufzeigen. Stimmt, das warum habe ich in diesem Punkt auch weggelassen.
    Im Web findet man "Lösungen", die das elektrische Zusammenschliessen von zweier Wicklungen empfehlen. Einfach gesagt: es gibt 3 verschiedene Wicklungen.
    (1) Ladeanker: sollte "floating" bleiben und ist für die Energieversorgung der CDI.
    (2) und(3) Batterie-Ladung und Licht: Diese beiden Wicklungen sind unterschiedlich und noch gegrounded. Wenn ich die beiden Wicklungen zusammenschliesse, wird im Betrieb von der "schwächeren" Wicklung Strom in die "stärkere" gespiessen, also effektiv ein Kurzschluss.

    Lange rede langer Sinn:
    Ich will mir hier nicht meinen Namen versauen, also bin ich vorsichtig. Keine Messung, kein definitives Urteil. Ich bin mir der Sache aber sehr sicher.
    Das Original-Setup ist wirklich sehr clever, da gibst nichts dran zu maulen.
    Ich warte jetzt mal auf den TrailTech Stator und guck mir das Teil an.
    Da ich auf DC wechseln muss (Riesige LiFePo4 Akku, m-Unit, m-Lock, 4800lm LED Scheinwerfer, Miniscope, SureShift), schlage ich mich mit dem Scheiss überhaupt rum. Der Plan war eigentlich, am originalen Setup der elektrischen Versorgung gar nix zu ändern. Das geht aber in die Knie :(
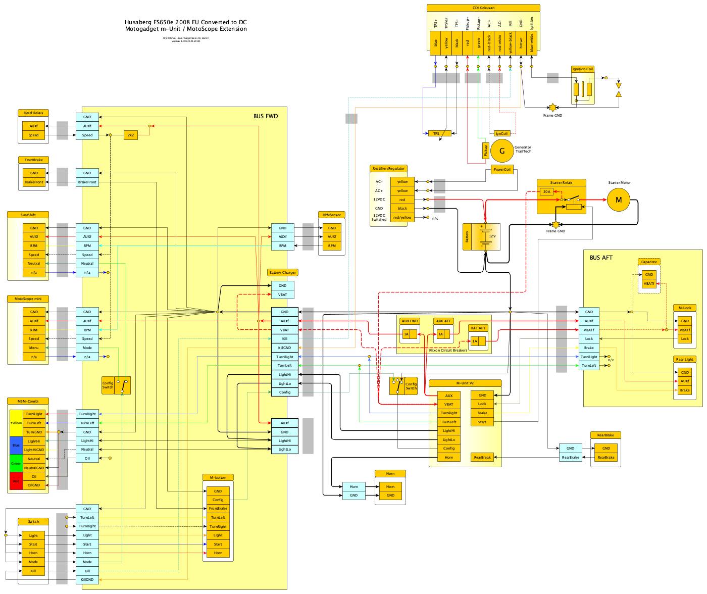
  • Sodele, heute hatte ich mal Zeit, mein Verdrahtungsschema fertigzuzeichnen.
    Nicht so schlimm, aber im Lampenbereich wird es ziemlich heftig, darum versuche ich eine Art Bus-System zu bauen.
    Stecker habe ich mal in der Bucht bestellt.
    Bilder
    • Husaberg Electrics.jpg

      183,02 kB, 1.400×1.176, 333 mal angesehen