Servus
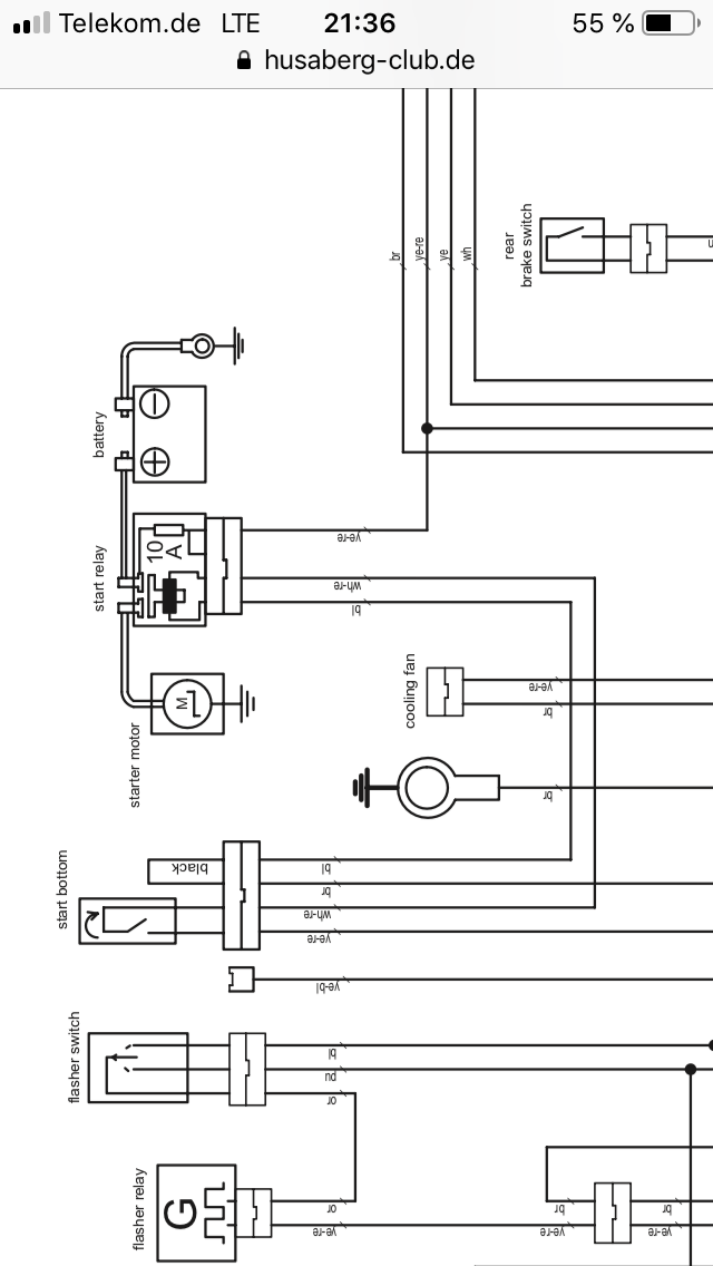
Kann mir jemand sagen wie die Belegung von dem Stecker is bei mir sind alle Kabel ab und jetzt hab ich kein Plan wo welches Kabel hin gehört
650 Baujahr 2004
Kann mir jemand sagen wie die Belegung von dem Stecker is bei mir sind alle Kabel ab und jetzt hab ich kein Plan wo welches Kabel hin gehört
650 Baujahr 2004